# 试验设计
本文通过两个示例,介绍全因子试验设计和正交试验设计的方法。
# 概述
试验设计是数理统计的一个分支,是研究和处理试验中的多个影响因子与试验指标之间关系的一种方法。它通过合理地挑选试验条件、安排试验、分析试验结果,找出总体最优的改进方案。
# 全因子试验设计
# 概述
全因子试验设计是指所有因子水平的任意组合都至少进行一次试验,其试验次数为各因子水平数量的乘积。
优点:能够直接获得所有组合的试验结果,便于后续分析;
缺点:试验次数多,因此耗费的人力、物力和时间也较多。
# 场景设置
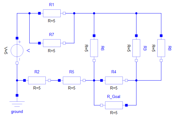
现有如图所示理论电路,该电路由直流电压源与多个纯电阻构成,其中 R_Goal 两端电压为响应变量,记为 R_Goal.v。
条件设置
R1、R2、R3、R4 为可替换电阻,有三种规格的电阻可供选择,分别为 1 Ω、5 Ω、10 Ω,其余位置均使用 5 Ω 的电阻。
求解目标
当 R1、R2、R3、R4 分别使用哪种规格的电阻时,响应变量的值达到最大?
# 试验设计
该试验中共四个因子,每个因子有三个水平,因此全因子试验设计将会输出 3 * 3 * 3 * 3 = 81 组仿真结果。
# 结果分析
根据下图可知,第三组仿真实例输出的响应变量值达到最大,最大值为 0.998336 V。且根据右侧仿真实例集可知,第三组仿真实例的输入参数设置为:
R1.R=1 Ω,R2.R=1 Ω,R3.R=1 Ω,R4.R=10 Ω。
结论:R1=1 Ω, R2=1 Ω, R3=1 Ω, R4=10 Ω 时,响应变量达到最大值。
# 正交试验设计
# 概述
正交试验设计是一种研究多因素多水平场景的试验设计方法。其核心思想为根据正交性从全因子试验中挑选出部分具有代表性的点进行试验,以减少所需进行的试验次数。
试验者可以根据试验的因子数与水平数以及是否具有交互作用等需求查找响应的正交表,依托正交表的正交性挑选具有代表性的点进行试验。
优点:高效、快速、经济;
缺点:对每个状态点同等对待,重点不突出。
# 场景配置
同全因子试验设计
根据场景设置可知,本试验设计有 4 个因子,每个因子有 3 个水平,且 4 个因子之间没有交互作用。
根据上述条件可设计如下表所示正交试验:
| 编号 | R1 | R2 | R3 | R4 |
|---|---|---|---|---|
| 1 | 1 | 1 | 1 | 1 |
| 2 | 1 | 5 | 5 | 5 |
| 3 | 1 | 10 | 10 | 10 |
| 4 | 5 | 1 | 5 | 10 |
| 5 | 5 | 5 | 10 | 1 |
| 6 | 5 | 10 | 1 | 5 |
| 7 | 10 | 1 | 10 | 5 |
| 8 | 10 | 5 | 1 | 10 |
| 9 | 10 | 10 | 5 | 1 |
与上表对应的试验设计配置如图所示:
# 结果分析
运行试验后,得到响应变量的终值曲线如图所示
依次读取上图中每一个点的值可得到每组试验的响应变量 Vn,填入下表中,并对数据进行进一步计算处理,得到结果:
| 编号 | R1 | R2 | R3 | R4 | 响应变量 Vn |
|---|---|---|---|---|---|
| 1 | 1 | 1 | 1 | 1 | 0.386598 |
| 2 | 1 | 5 | 5 | 5 | 0.46875 |
| 3 | 1 | 10 | 10 | 10 | 0.382166 |
| 4 | 5 | 1 | 5 | 10 | 0.687285 |
| 5 | 5 | 5 | 10 | 1 | 0.153846 |
| 6 | 5 | 10 | 1 | 5 | 0.384615 |
| 7 | 10 | 1 | 10 | 5 | 0.479744 |
| 8 | 10 | 5 | 1 | 10 | 0.582524 |
| 9 | 10 | 10 | 5 | 1 | 0.122951 |
| K1 | 1.237514 | 1.553627 | 1.353737 | 0.663395 | |
| K2 | 1.225746 | 1.20512 | 1.278986 | 1.333109 | |
| K3 | 1.185219 | 0.889732 | 1.015756 | 1.651975 |
其中 Ki 为各因子的 i 号水平时的响应变量 Vn 之和。
以因子 R2 下的 K2 为例介绍 Ki 的计算方法:
R2 的三个水平为 (1,5,10),其 2 号水平为 R2.R=5 Ω,则对应的 K2 为所有 R2.R=5 Ω 的试验响应变量 Vn 之和。
查阅上表可知,在编号为 2, 5, 8 的试验中,R2.R=5 Ω,即:
K2=V2+V5+V8=0.46875+0.153846+0.582524=1.20512
分析每组因子的 K 值变化可知:
因子 R1 的 K1>K2>K3,则 K1 时的 R1 取值使响应变量达到最大,可得 R1=1 Ω;
因子 R2 的 K1>K2>K3,则 K1 时的 R2 取值使响应变量达到最大,可得 R2=1 Ω;
因子 R3 的 K1>K2>K3,则 K1 时的 R3 取值使响应变量达到最大,可得 R3=1 Ω;
因子 R4 的 K3>K2>K1,则 R3 时的 R4 取值使响应变量达到最大,可得 R4=10 Ω;
结论:当 R1 = 1 Ω、R2 = 1 Ω、R3 = 1 Ω、R4 =10 Ω 时,应变量达到最大值。
该结论与全因子试验设计结论一致。