# 综合能源系统模型库
# 概述
TYIntegratedEnergySys 综合能源系统模型库提供了多种形式的能源生产、转换、传输、储存等设备,包括能源生产设备库、能源转换设备库、能源传输设备库、能源储存设备库、负荷模型库及基础设备库等,支持源-网-荷-储综合能源场景应用,可应用于区域级综合能源系统拓扑设计与优化,实现多种异质能源子系统、供暖制冷系统、蒸汽供热系统、烟气余热回收系统等多能源系统耦合网络等仿真应用。
# 功能要点
区域级多能源系统规划与耦合仿真
支持电力、热力、天然气、燃料、储能等多种能源形式的建模与分析,可以模拟不同能源子系统之间的耦合与交互关系,如冷热电联供系统。
综合能源系统设备选型与经济性评估分析
支持对电力系统、热力系统、燃气系统、储能系统等进行拓扑设计,综合考虑从设备初期投资、运营维护成本、寿命周期等因素,评估各设备选择的经济性,以及不同设备和技术方案对环境的影响,如碳排放、能源消耗等。
综合能源系统运行状态模拟预测与运行优化
支持能源系统需求预测和负荷分析,如电力负荷波动、热能供需匹配、燃气流动与消耗等,优化能源生产、存储、传输与消费等环节,为系统运行提供数字化决策依据,实现能源资源最佳配置与调度,最大化系统经济性、环境性与可靠性。
# 模型库目录
TYIntegratedEnergySys 综合能源系统模型库提供了包含电、热、冷、气多能源形式的生产、转换、传输、储存、消耗设备,主要包括:风力发电系统、光伏发电系统、电解制氢系统、热泵、锅炉、制冷机、蓄电池等设备模型,覆盖了综合能源系统常用的典型实例。该模型库支持综合能源系统的运行状态模拟、运行优化、设备选型等,且支持区域级多能源系统规划与耦合仿真。
| 名称 | 描述 | |
|---|---|---|
| UsersGuide | 用户指南 | 提供模型库概述、联系方式、版本说明等介绍文档 |
| Environment | 环境模型库 | 提供了风速、光照和水流模型,为能源生产设备库提供环境条件输入 |
| Components | 基础设备库 | 提供了基础流体设备、基础电气设备和系统评价指标,包括流阻、混合容积、简单换热器、经济性计算模型等 |
| EnergySource | 能源生产设备库 | 提供了风力发电、光伏发电、水力发电、火力发电、光热发电和电解制氢系统 |
| EnergyExchange | 能源转换设备库 | 提供了电-热转换设备、气-热转换设备、热-热转换设备和制冷设备,包括电锅炉、燃气锅炉、热泵、氢燃料电池、吸收式制冷机等 |
| EnergyStorage | 能源储存设备库 | 提供了储热罐、蓄冰槽、储氢罐和蓄电池 |
| EnergyTransmission | 能源传输设备库 | 提供了电网、电力母线、热网、冷网和气网节点 |
| Load | 负荷模型库 | 提供了冷、热、电、气负荷 |
| Controllers | 控制系统库 | 提供了 SOC 控制器、功率控制器等,用于典型实例库中的相关案例,也为特定使用场景中的控制器组件的开发提供了参考 |
| Boundaries | 边界库 | 提供了压力边界、流量边界、热流边界、温度边界、功率边界和气体边界 |
| Sensors | 传感器库 | 提供了温度传感器、体积流量传感器和功率传感器 |
| Interfaces | 接口库 | 提供了流体接口、热接口、气体接口、功率接口和成本接口 |
# 主要模型
# 应用场景
综合能源系统模型库具有完备的能源生产、转换、传输、储存和负荷模型模型,可搭建多场景多工况的综合能源系统数字化模型,开展综合能源系统设备选型、效能评估、运行监测等,以下根据不同研发阶段细分具体应用场景:
设计阶段
综合能源系统设备选型与配置优化
在方案设计阶段,综合能源系统模型库可辅助用户进行能源相关设备的选型、综合能源配置和效能评估等,以满足系统的工作条件和性能要求,并进行组合、调整和优化,支撑系统功能和性能的初步验证评价,实现系统多方案优选分析。
维护阶段
综合能源系统运行监测
在运行维护阶段,综合能源系统模型库可以用于实时监测系统运行状态、诊断问题和进行故障排除。用户可以根据实时仿真数据,及时发现系统运行中的异常情况,并采取相应的维护措施,以保障系统的稳定运行和性能。
综合能源系统数字孪生运维
综合能源系统模型库可用于能源数字孪生场景,如源侧(光伏、风电、火电等)和网侧,为其提供数据层中的模型支撑。基于综合能源系统模型库,打造综合能源系统数字孪生应用平台,通过平台交互应用入口,实现综合能源场景构建、负荷预测分析、能源优化配置、能源运行优化、三维场景可视化展示等功能。
# 应用案例
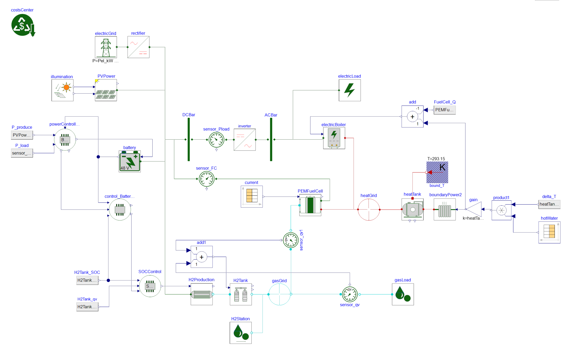
光伏-氢燃料电池系统热电联产系统如下图所示,系统主要由光伏发电系统、电解制氢系统、氢燃料电池、电锅炉、蓄电池、储氢罐、储热罐、负荷等组成。
首先,利用光伏发电产生的电能供应家庭用电多余的电能储存在蓄电池中,剩余的电能用于电解槽制氢。氢气储存于储氢罐中,供应给氢燃料电池极燃氢汽车使用,夜间光伏供电不足时使用蓄电池或氢燃料电池供电。氢燃料电池产生的热量被储热罐吸收,供应家庭热水需求。白天家庭的热水需求主要由电锅炉供应,夜间主要通过运行氢燃料电池供热。
系统模型:
光伏发电量曲线:
蓄电池功率和 SOC 曲线:
