# 蒙特卡洛分析
本文介绍的是蒙特卡洛分析示例。
# 概述
蒙特卡洛分析法 (Monte Carlo method) 是一种通过随机采样来估算结果的计算方法,其核心思想为使用随机数模拟实际概率过程,然后加以统计处理,最终得到统计特征值。
# 蒙特卡洛分析示例
# 应用背景
受各方面因素的影响,批量生成的工业零件很难有完全一致的参数。在工业生产中,通常把产品或零部件的参数(或质量特性值)的容许变化范围称为容差。
电阻器是最常见的带容差元件,常见的电阻器容差实例有 0.5%、1%、2%、5% 和 10%。在应用电路的设计中,需要从性能、成本等多个方面去考虑不同容差的元件的选择,以达到综合的最优解。
# 场景设置
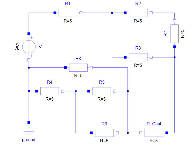
使用常数电压源和若干个纯电阻构成的简单理论电路。
现有两种型号的电阻,其特性如下表所示:
| 编号 | 阻值 (Ω) | 容差 | 容差特性 |
|---|---|---|---|
| 1 | 5 | ±5% | N(5,5) |
| 2 | 5 | ±1% | N(5,1) |
条件设置
假定电阻 R_Goal 两端电压 R_Goal.v 为目标参数,直接通过仿真理论电路可知目标参数的理论值为 1.53061 V,现设定目标参数误差在 ±3% 以内时为合格电路,否则不合格;
在 R1、R2、R3 中选择一个位置,使用 2 型电阻,其余所有的位置均使用 1 型电阻。
求解目标
2 型电阻放置在哪个位置时,电路的合格率最高?
# 设计试验
根据场景设计基础输入集
该基础输入集内的所有电阻标准值为 5 Ω,容差为 5% (即最小值为 4.75,最大值为 5.25),容差特性为 N(5,5)。
若要使用标准值为 5 Ω,容差为 1% (即最小值为 4.95 Ω,最大值为 5.05 Ω),容差特性为 N(5,1) 的电阻,则只需要修改对应输入变量的最小值、最大值、随机数分布即可。
按照上述方法依次替换 R1, R2, R3,并分别进行蒙特卡洛分析。
为保证试验的有效性,对基础输入集进行蒙特卡洛分析并求出合格率,作为分析的对照组。
为减少偶然性对试验的影响,现采用三组不同的随机数种子,并设置样本数为 500,每组随机数种子均进行四次试验(R1、R2、R3 和对照组)。
# 结果分析
得到试验结果后可以使用直方图对每个区间内的结果数量进行统计,如下图所示的直方图为随机数种子为 0.612702 时,替换电阻 R1 后得到的目标参数统计图。
上图区间的数量和宽度可通过改变选项 > 直方图条数进行调整。
R_Goal.v 的理论值为 1.53061 V,允许误差为 ±3%,则合格电路的目标电压范围约为 (1.4847,1.5765)。
本试验三个随机数种子选择为 0.612702、0.925942、0.07982,每个随机数种子下分别进行四次试验,可得到 3*4=12 组试验数据。
经过统计可得到如下表所示的合格率统计表:
| 随机数种子 | 0.612702 | 0.925942 | 0.07982 |
|---|---|---|---|
| R1 | 0.860 | 0.828 | 0.834 |
| R2 | 0.796 | 0.776 | 0.786 |
| R3 | 0.808 | 0.762 | 0.804 |
| 基础输入集 | 0.806 | 0.764 | 0.786 |
分析上表可知,三组随机数种子下,替换 R1 后,电路合格率均有较明显的提升,且提升效果最好。
替换 R2、R3 后,电路的合格率较基础输入集出现波动,既有合格率上升的组别,也有合格率下降的组别。根据理论知识可推断是由于被测电阻上并联有 1 型电阻,影响了最终结果,因此替换这两个位置电阻对电路合格率的影响还需要进一步研究。
综上所述,将 2 型电阻放置于 R1 时,电路合格率最高。